新規磁性材料
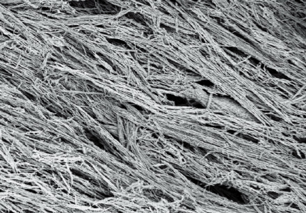
磁性ナノワイヤー
ミリ波、テラヘルツ波向け電磁波遮蔽材料
ユニチカが開発した磁性ナノワイヤーを配合することにより、高レベルの電磁波遮蔽を実現します。5G、Beyond 5G(6G)、自動運転などに利用するアンテナ等のデバイスの誤作動、特性低下を抑制できます。
特長
- ・誘電損失と磁気損失の相乗効果により、ミリ波~テラヘルツ波の遮蔽が可能です。
- ・高アスペクト比をもつ磁性ナノワイヤーが、これまでの磁性材料にはない高い性能を実現します。
- ・様々な樹脂等との混和が可能です。



電波吸収性
テラヘルツ波帯の電波吸収性
Beyond 5G(6G)対応
FeNi4ナノワイヤー+シリコーンゴム
(ナノワイヤー含有量=0.1vol%)
FeNi4ナノワイヤー+シリコーンゴム
(ナノワイヤー含有量=4.5vol%)
シリコーンゴム
シート厚み:400μm
評価方法:THz-TDS法
ミリ波帯の電波吸収性
車載ミリ波レーダー対応
Fe4Niナノワイヤー+シリコーンゴム
(ナノワイヤー含有量=4.5vol%)
シート厚み:100μm
評価方法:フリースペース法
ミリ波帯の電波吸収性
5Gアンテナ対応
Fe4Niナノワイヤー+シリコーンゴム
(ナノワイヤー含有量=4.5vol%)
Fe4Niナノワイヤー+シリコーンゴム
(ナノワイヤー含有量=10vol%)
シート厚み:100μm
評価方法:フリースペース法
カタログ
PDF ダウンロード(1.4MB)< 2023年3月1日作成 >